化学装置材料の基礎講座
第16回 炭素鋼や低合金鋼製の装置を高温で使用すると、「炭化物球状化」と言う材料劣化現象が発生するとのことですが、どのような現象でどのように対処すれば良いでしょうか。
炭素鋼や低合金鋼(CrやMoを低濃度含有する)を、400℃以上程度の高温で使用した場合に生ずる代表的な強度低下を伴う劣化現象として、「炭化物球状化」と「黒鉛化」が挙げられます。今回は、「炭化物球状化」について紹介します。
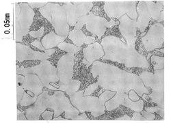
炭素鋼や低合金鋼が強度を示すのは、一般的に図1に金属の顕微鏡写真に黒っぽく見える、金属中パーライトと呼ばれる鉄と炭素の化合物を層状に含む組織が存在するためです。なお、図1で白く見える部分はフェライトと呼ばれ、パーライトに比較して相対的に強度の低い部分です。また、鋼材の強度は熱処理にも依存しますので、図1と異なる金属組織を示す場合もあります。
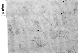
「炭化物球状化」は、図2に示すように層状のパーライトが高温の使用中に分解し、結晶の粒内や粒界に球状の炭化物として凝集する現象です。「炭化物球状化」が進行すると、図2に示す様に強度の低いフェライトの面積の割合が増大し、結果として材料の機械的強度の低下(軟化)が生じます。

図1.炭素鋼の使用開始時の標準的な組織

図2.炭化物球状化の進行過程の炭素鋼組織
「炭化物球状化」による強度低下の進行は、材料の種類、使用の時間および温度により変化します。
炭化物球状化は、炭素鋼に比較して低合金鋼で生じにくく、また低合金鋼でもCrやMo濃度が高いほど生じにくい特徴があります。また、使用温度に対しては、これが高いほど炭化物球状化が生じ易い傾向があります。炭素鋼では430℃程度から炭化物球状化が生じるとされていますが、低合金鋼での発生はより高温からとなります。
実際の装置の検討事例では、炭素鋼製装置を430℃程度で約20年運転して、強度が最大2割低下したデータを得ています。ただし、温度が高ければ、より短時間の使用で強度低下の生ずる可能性があります。
「炭化物球状化」の発生条件と物性変化を、高温での劣化である「黒鉛化」現象と共に表1に示します。
| 現象 | 材料 | 温度 | 物性変化 | |
|---|---|---|---|---|
| 炭化物球状化 | 炭素鋼、C-0.5%Mo鋼、1%~9 %Cr-Mo鋼 | 430℃以上 (材料による) |
軟化と強度低下 | |
| 黒鉛化 | 均 一 | 炭素鋼、C-0.5%Mo鋼、 (1%以上Cr含有鋼では生じない) |
軟化と強度低下 | |
| 局在化 | 局在化した軟化と強度低下 (見かけ上の脆化) |
|||
これらの現象への対処方法として、設計段階では表1の発生条件を考慮して、使用温度での材料を選択したり、(ここで説明していませんが)熱処理を指定したりします。また、既に存在する実機の場合に、その使用条件が表1に示す発生範囲に含まれる場合は、レプリカ法(スンプ)を用いた組織観察や硬さ測定を経時的に繰返し、傾向管理を行う必要があります。また、硬さ測定結果から強度を推定することができますので、その強度と設計条件を比較して装置の強度的な健全性を評価する必要があります。
「炭化物球状化」の進行した材料の強度を回復させることは困難であり、検査の結果により強度低下が使用上問題となるレベルに達したら、装置を更新する必要があります。