Loading...
電気・情報・通信・制御ソリューション防爆形秤量インターフェイス EXWPS-1
秤量器電源ボックスを防爆化。危険場所における秤量データの収集を可能にします。
型式検定合格番号/第TC21467号
特長
- ■秤量器電源ボックスを防爆化
- ■防爆現場でRS232Cから計量データを直接収集
- ■誤計量防止システムをコンパクトに
- ■データ収集システムをEasyに
- ■0~300kg まで新光電子殿FZシリーズに対応へ
- ■電源ユニット収納場所が不要

EXWPS-1と防爆形電子はかりFZシリーズの接続例
システム構成

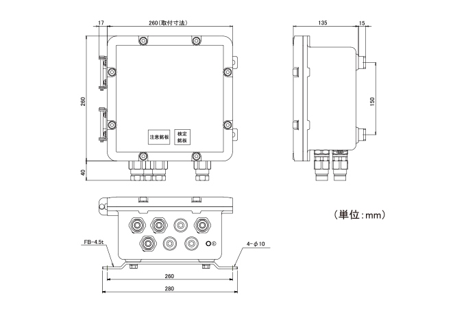
外形寸法

仕様
一般仕様(EXWPS-1)
定格電圧 | AC100V 50/60Hz | |
消費電力 | 50VA(突入電流10.5A以下) | |
周囲温度 | 0~40℃ | |
周囲湿度 | 30~80%RH(結露なきこと) |
|
保護性能 | IP65 | |
接地 | D種接地 | |
外形寸法(mm) | W260xH260xD135 | |
材質 | アルミニウム合金鋳物 | |
防爆性能 | Exd(ia)ⅡBT4 |
計量器(新光電子FZシリーズ)
FZ-****/A**** | 0~3200g |
FZ-***KF | 0~300kg各種 |