Loading...
電気・情報・通信・制御ソリューション防爆形秤量インターフェイス EXWPS-2
危険場所に設置された防爆形はかりからのデータ収集を可能にします。
型式検定合格番号/NC10036X
対応危険場所 | Zone1,Zone2 |
---|---|
防爆構造の種類 | 耐圧(本質安全)防爆構造 |
Ex db [ia] ⅡB T4 Gb |
特長
- ■防爆現場でRS232C/有線LAN/無線LANから計量データを直接収集
- ■0~300kgまで新光電子殿FZシリーズに対応
- ■0~1500kgまでクボタ殿KL-ISシリーズに対応
- ■防爆形はかりを最大2台まで接続可能
- ■無線アンテナを付属し、通信距離がEXWPS-1の約2倍に
- ■防爆形スキャナ(EXSC-QB)受信機を内蔵可能

システム構成

機器構成

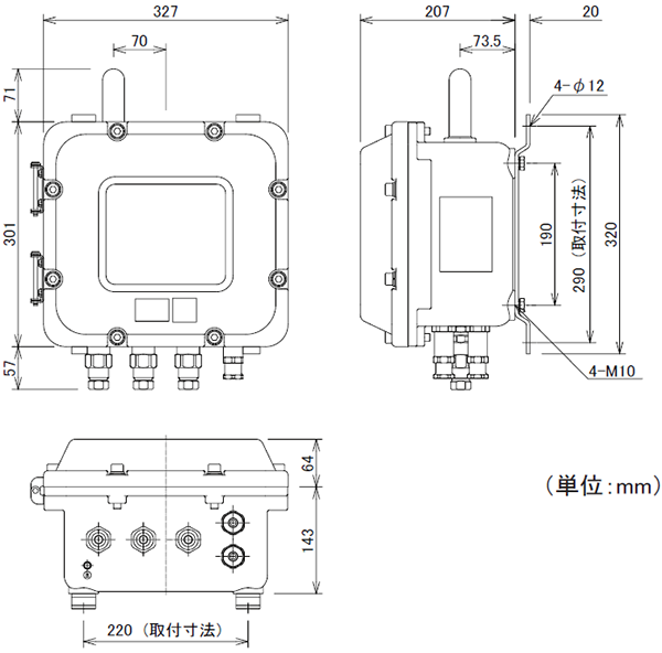
外形図

仕様
一般仕様(EXWPS-2)
定格電圧 | AC100V 50/60Hz | |
消費電力 | 35.4W以下(突入電流13A-Typ.) | |
周囲温度 | 0~40℃ | |
周囲湿度 | 85%RH以下(但し結露なきこと) |
|
保護性能 | IP65相当(屋内使用専用) | |
接地 | D種接地 | |
外形寸法(mm) | W327×H301×D207 | |
設計質量 | 約22kg | |
材質 | アルミニウム合金鋳物 |
防爆形はかり(新光電子殿製FZシリーズ)
FZ-****/A**** | 0~3200g |
FZ-***KF | 0~300kg各種 |
防爆形はかり (クボタ殿製KL-ISシリーズ)
KL-IS-****-SS | 0~1500kg |
KL-IS-****-SUS | 0~400kg |
オプション
