Loading...
電気・情報・通信・制御ソリューション防爆形アクセスポイント EXAP-200S
危険場所内の無線化を実現します。
型式検定合格番号/第TC18826号
対応危険場所 | Zone1,Zone2 |
---|---|
防爆構造の種類 | 耐圧防爆構造 |
ExdⅡBT4 |
特長
- ■防爆エリアで無線LAN
- ■IEEE802.11n/a/b/g の4規格準拠
5GHz帯(IEEE802.11n/a)では19ch(W52/W53/W56*1)、2.4GHz帯のIEEE802.11n/gでは1~13ch、11bでは1~14chから選択でき、電波干渉を考慮した柔軟な無線ネットワーク設計が可能です。また、IEEE802.11n規格のデュアルチャネル(40MHz幅利用)にも対応しています。 - ■PoE給電にも対応
ACアダプタ(別売ACアダプタを内蔵したAC100V給電方式に加えてPoE給電を使用したLAN(UTP、STP)ケーブルによる電源供給に対応しています。AC給電方式に加えてIEEE802.3af準拠のPoE給電にも対応しています。
・AC100V給電(型式:EXAP-200S-A)
・PoE給電(型式:EXAP-200S-P) - ■アクセスポイント(親局)やステーション(子局)、リピータに切り替え可能
モード切り替えにより、アクセスポイント(親局)だけでなくステーション(子局)、リピータにも設定可能です。
有線LAN機器の無線LANコンバータとしても使用できます。 - ■WPA2/WPAやWEPと併用可能な独自暗号化技術WSLを搭載
高度なセキュリティ規格WPA2/WPAやIEEE802.1X認証に加え、MACアドレスフィルタリング、ESSID隠しに対応しています。
また、WPA2/WPAと併用できる独自暗号化技術WSLも搭載しています。 - ■VLAN、仮想AP機能など多彩な機能を搭載
VLAN機能や1台のAPに仮想的な複数のAPとして動作させ、異なるセキュリティ設定が行える仮想AP機能を搭載しています。
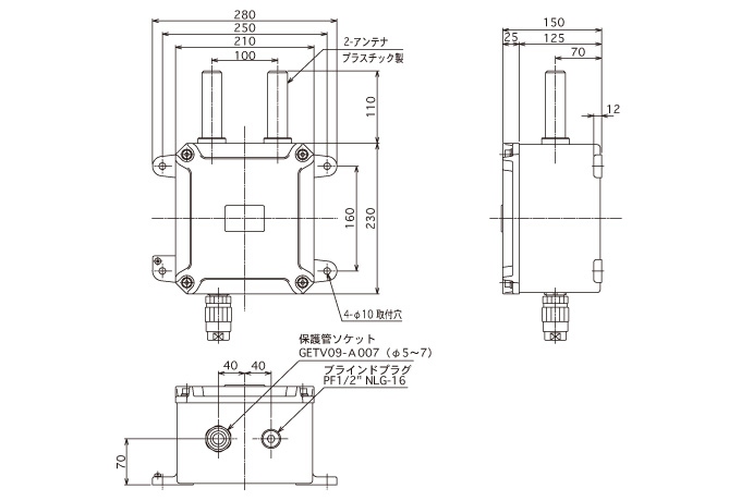
外形寸法

仕様
ユニットタイプ | アクセスポイント/ステーション/リピータ |
有線LAN部
イーサネット規格 | IEEE802.3(10BASE-T)、IEEE802.3u(100BASE-TX)、IEEE802.3af |
データ転送速度/通信方式/ポート数 | 10/100Mbps/半二重(Half Duplex)、全二重(Full Duplex)/1 |
無線LAN部
対応規格 | IEEE802.11n,IEEE802.11a,IEEE802.11b,IEEE802.11g | |
IEEE802.11n | チャネル | 5GHz帯:19ch(36,40,44,48ch[W52],52,56,60,64ch[W53],100,104,
108,112,116,120,124,128,132,136,140ch[W56]) 2.4GHz帯:13ch(1-13) |
データ転送速度 ※1 | 300-6.5Mbps[MSC0-15,Short/Long GI](固定/自動) | |
IEEE802.11a | チャネル | 19ch(36,40,44,48ch[W52],52,56,60,64ch[W53],100,104,108, 112,116,120,124,128,132,136,140ch[W56]) |
データ転送速度 ※1 | 54,48,36,24,18,12,9,6Mbps(固定/自動) | |
IEEE802.11b | チャネル | 14ch (1-14) |
データ転送速度 ※1 | 11,5.5,2,1Mbps(固定/自動) | |
IEEE802.11g | チャネル | 13ch (1-13) |
データ転送速度 ※1 | 54,48,36,24,18,12,9,6Mbps(固定/自動) | |
セキュリティ | IEEE802.11n | WPA(AES),WPA2(AES),WPA-PSK(AES),WPA2-PSK(AES),WSL(上記暗号と併用可) |
IEEE802.11a/b/g | WEP(open/ Shared Key /Auto),WPA(AES, TKIP),WPA-PSK(AES,TKIP),WPA2(AES, TKIP),WPA2-PSK(AES,TKIP),IEEE802.1X(EAP-TLS, PEAP),WSL(上記暗号と併用可) |
電源仕様
定格入力電圧 | 36-57VDC(PoE使用時) 100VAC(ACアダプタ内蔵) |
定格入力電流 | 80mA以下(PoE使用時) 0.3A以下(AC電源使用時) |
外形仕様
材質 | ケース:アルミ合金鋳物 アンテナ:ナイロン樹脂 |
寸法(W X H X D) | W280xH340xD150mm |
質量 | 約7kg |
インターフェイス
10/100BASE-T(X) (UTP/STPケーブル) |
RJ45ポート:100BaseTX 自動ネゴシエーション速度、全/半二重モード・付属防爆ケーブルグランド経由引き込み後RJ45コネクタ取り付け |
設置環境
保護構造 | IP54 |
使用環境温度 | 0~40℃ |
防爆性能
防爆構造 | 耐圧防爆構造 ExdⅡBT4 |
適用箇所 | ゾーン1、ゾーン2 |
型式検定合格番号 | 第TC18826号 |
※1 無線LAN規格の理論値であり、実際のデータ転送速度を示すものではありません。
- 関連製品
-
- EXNT-34S
PoE給電4ポートを備えたPoEハブです。
- EXNT-34S